

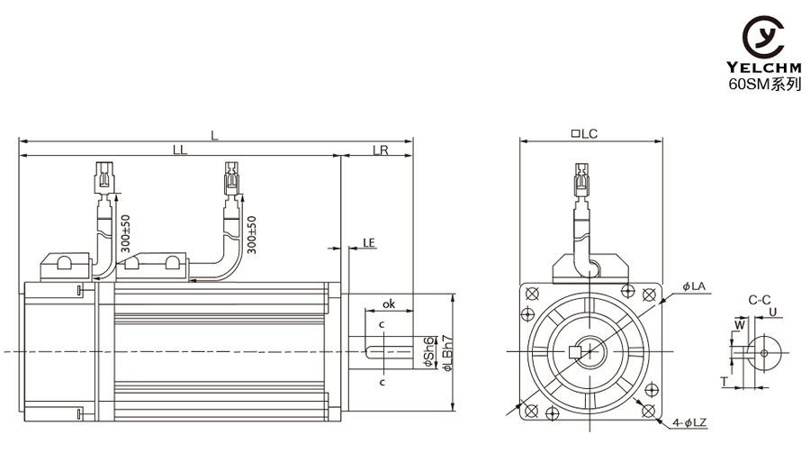
| 型号 | 尺寸 | 重量(Kg) | 额定功率(W) | 额定力矩(N.m) | 额度转速(Rpm) | ||||||||||||
| L | L L | LR | LA | LB | S | LC | LE | LZ | OK | W | T | U | |||||
| 60Sm00630 | 135 | 105 | 30 | 70 | 50 | 14 | 60 | 3 | 5.5 | 20 | 5 | 5 | 3 | 1.2 | 200 | 0.64 | 3000 |
| 60Sm013030 | 165 | 135 | 30 | 70 | 50 | 14 | 60 | 3 | 5.5 | 20 | 5 | 5 | 3 | 1.5 | 400 | 1.3 | 3000 |
备注:带抱闸长度加长60mm,电机可根据客户要求定制。




60系列香蕉电影网在线观看主图

60系列交流香蕉电影网在线观看图片



60系列交流香蕉电影网在线观看侧面

60系列香蕉电影网在线观看+JYT-15A迷你驱动器主图


60系列交流香蕉电影网在线观看+15A迷你驱动器正面
1、 精度:实现了位置,速度和力矩的闭环控制;克服了精品香蕉视频失步的问题;
2、转速:高速性能好,一般额定转速能达到2000~3000转;
3、适应性:抗过载能力强,能承受三倍于额定转矩的负载,对有瞬间负载波动和要求快速起动的场合特别适用;
4、稳定:低速运行平稳,低速运行时不会产生类似于精品香蕉视频的步进运行现象。适用于有高速响应要求的场合;
5、及时性:电机加减速的动态相应时间短,一般在几十毫秒之内;
6、舒适性:发热和噪音明显降低
国产香蕉电影网在线观看的应用领域就太多了,只要是要有动力源的,而且对精度有要求的一般都可能涉及到香蕉电影网在线观看。如:机床、印刷设备、包装设备、
纺织设备、激光加工设备、物流分拣设备、机器人、自动化生产线等对工艺精度、加工效率和工作可靠性等要求相对较高的设备电机
60系列交流香蕉电影网在线观看 香蕉电影网在线观看技术参数 香蕉电影网在线观看厂家 交流香蕉电影网在线观看,香蕉电影网在线观看价格,香蕉电影网在线观看选型,就找无锡91香蕉视频在线
91香蕉视频在线机电(无锡)有限公司
地址:江苏省无锡市钱桥镇胜丰村
龙亨沟88号
邮编:214151
电话:0510-83239135
0510-83231502
传真:0510-83233870
手机:唐小姐18936070071
孙小姐18914100270
QQ:唐小姐810806445
孙小姐2143562638
